ガオス 最強の資材調達支援サイト 合計¥3,980(税込)以上のお買い上げで送料がなんと無料です!
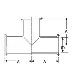
TOP > 継手・配管材・バルブ > サニタリー配管 > ISOヘルールユニオン継手 > 大阪サニタリー ISOヘルールユニオン継手 ヘルールチーズ TEE-3C 2.0S SUS316L
商品番号 o-sani-tee-3c-20s316l
価格18,398円(税込)
167ポイント進呈
税込み3,980円以上のお買い上げで送料無料
GAOSサポートセンター
TEL:078-304-0100 / FAX:078-302-8316
受付時間:平日 9:00〜17:30
お問い合わせフォーム